相數:3相
工作類型:連續(xù)
絕緣等級:B級
防護等級:IP40
旋轉方向:順時針方向(CW)
可加配行星減速機、編碼器
15817488109
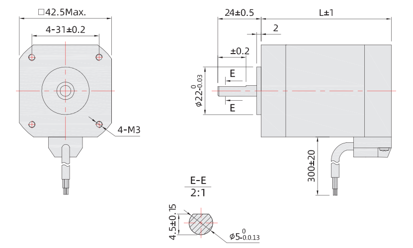
電機型號 | 輸出功率 | 電源電壓 | 額定轉矩 | 額定轉速 | 機身長MAX | 極數 | 適配驅動 |
42BL40-30L2 | 30 | 24 | 0.06 | 3000 | 40 | 8 | DBL-2420R |
42BL60-30L2 | 38 | 24 | 0.12 | 3000 | 60 | 8 | |
42BL80-30L2 | 56 | 24 | 0.18 | 3000 | 80 | 8 | |
42BL100-30L2 | 80 | 24 | 0.25 | 3000 | 100 | 8 |
★漢德保還可以為客戶提供:總線型步進驅動器(RS485、CANopen)。
★漢德保還可以為客戶定制:輸出功率、輸入轉速、輸入電壓、輸出軸定制。

注意事項:
1、務必用電機前端蓋的安裝凸臺定位,并注意公差配合,嚴格保證電機輸出軸與負載的同心度。
2、為減少電機振動產生的噪音,務必將電機牢牢地固定在強韌的金屬面上。
3、電機與驅動器連接時,請勿接錯相。
4、在直流無刷電機通電的狀態(tài)下不可插撥插頭。
5、直流無刷電機分解后不可再組裝使用。


下一款產品:56mm直流無刷電機